Профиль KLUS-POWER-W50-2000 ANOD (Arlight, Алюминий) 030303 в Иркутске
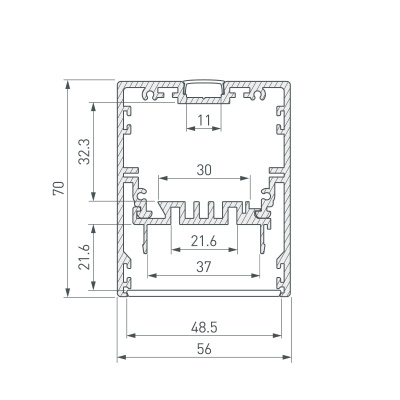
Подвесной/накладной профиль из анодированного алюминия с двусторонним свечением (основное (вниз) и дополнительное (вверх)) для основного и акцентного освещения. Отсек для блока питания (32х37 мм) и съемная площадка для светодиодной ленты значительно облегчают сервисное обслуживание осветительного оборудования. Габаритные размеры профиля составляют 2000 мм в длину, 56 мм в ширину и 70 мм в высоту. Основная площадка для установки светодиодных лент позволяет использовать ленту шириной до 37 мм или до 21 мм при установке дополнительных рефлекторов и мощностью до 29,1 Вт/м. Это обеспечивает гибкость в выборе светодиодных лент и создает потрясающие световые решения. Дополнительная площадка для установки светодиодных лент позволяет использовать ленту шириной до 11 мм. Экраны, заглушки и другие аксессуары не включены в комплект и приобретаются отдельно. Цена указана за 1 метр профиля. Отличное решение для создания современных световых проектов.
Под заказ от 20 м. Алюминиевый анодированный профиль для светодиодных лент и линеек. С отсеком для блока питания (размер отсека 32х37 мм). Съемная площадка для ленты позволяет легко проводить монтаж/демонтаж. Свечение в две стороны: основное (вниз) и дополнительное (вверх). Габаритные размеры (L×W×H): 2000x56x70 мм. Ширина площадки для ленты 37 мм., при использовании рефлекторов арт. 030319 ширина площадки 21 мм. Экраны, заглушки и другие аксессуары приобретаются отдельно. Цена за 1 метр. Сроки и цену уточняйте у менеджера.
030303 Arlight Профиль Накладной / Подвесной Прямоугольный Серебристый в Иркутске
Вы можете заказать Профиль Arlight с доставкой или самовывозом в Иркутске
просто достаточно позвонить менеджеру и сообщить артикул товара: 030303 или оформить заказ на сайте Arlight Shop Иркутск
Характеристики
|
Объем м3
|
0.00784 |
|
Гарантия м.
|
24 |
|
Материал корпуса
|
Алюминий |
|
Способ монтажа
|
Накладной / Подвесной |
|
Назначение
|
Для прямоугольных светильников |
|
Форма (сечение)
|
Прямоугольный |
|
Цвет покрытия
|
Серебристый |
|
Тип товара
|
Профиль |
|
Гарантийный срок
|
2 год(а) |
|
Модельный ряд
|
KLUS-POWER |
|
Способ установки профиля
|
Накладной / Подвесной |
|
Направление свечения
|
Вниз и вверх |
|
КПД профиля (cветовой)
|
89 % |
|
Рассеиваемая тепловая мощность на 1м
|
max: 29.1 W |
|
Ширина световой линии
|
48.5 мм |
|
Внешний вид поверхности
|
Матовая |
|
Покрытие поверхности
|
Анодирование |
|
Длина
|
2000 мм |
|
Ширина
|
56 мм |
|
Высота
|
70 мм |
|
Ширина площадки
|
37 мм |
|
Отсек для БП, ширина
|
37 мм |
|
Отсек для БП, высота
|
32 мм |
|
Глубина установки источника света
|
21.1 мм |
|
Кратность цены за 1 м/шт
|
1 |
|
Мощность (прайс)
|
29.1 Вт |
|
Схема площадок
|
2 разные площадки, 2 экрана, светят друг от друга |
|
Ширина дополнительной площадки
|
11 мм |







